- Interconnects Connectors Power connectors
Description
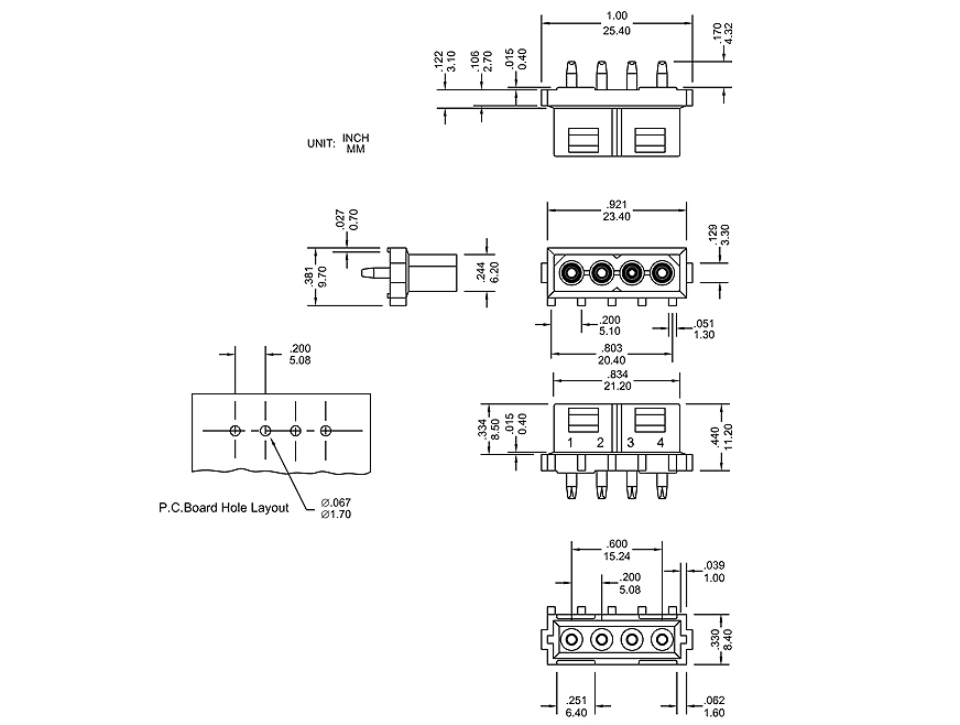
2470-F Series
FEATURES:
* 4 Circuits
* Two PC Tail lengths
* Housing, [UL 94V-2] or [UL 94V-0] Nylon 66
* Terminal, Brass, .084"[2.13mm] Dia.:
Plating, Electro-tin/copper
* Friction lock inside housing for imprved retention
of mating connector
* Mates with 2440 housing or 2470 power plug
SPECIFICATIONS:
* Current rating: 7A AC. DC
* Voltage rating: 250V AC. Maximum
* Temperature range: -40°C ~ +105°C .
* Contact resistance: Initial Value/10mΩ max.
After environmental testing
After environmental testing
/20mΩ max.
* Insulation resistance: 5000 MΩ min
* Withstand voltage: 1500V AC/minute
* Applicable PC board thickness: .063"[1.6mm]
FEATURES:
* 4 Circuits
* Two PC Tail lengths
* Housing, [UL 94V-2] or [UL 94V-0] Nylon 66
* Terminal, Brass, .084"[2.13mm] Dia.:
Plating, Electro-tin/copper
* Friction lock inside housing for imprved retention
of mating connector
* Mates with 2440 housing or 2470 power plug
SPECIFICATIONS:
* Current rating: 7A AC. DC
* Voltage rating: 250V AC. Maximum
* Temperature range: -40°C ~ +105°C .
* Contact resistance: Initial Value/10mΩ max.
After environmental testing
After environmental testing
/20mΩ max.
* Insulation resistance: 5000 MΩ min
* Withstand voltage: 1500V AC/minute
* Applicable PC board thickness: .063"[1.6mm]
Supplier Information
Vensik Electronics Co., Ltd.
TEL : 886-2-27833836 FAX : 886-2-27824427No.86, Xinmin St., Nangang Dist., Taipei City 115, Taiwan R.o.c.
Web-Site : http://www.vensik.com.tw/
E-Mail : vensik@vensik.com.tw